Murray Lawn Mower Deck Parts Diagram / Murray 224110x92e0 User Manual Mower Manuals And Guides L0504509 / If your murray lawn mower is broken, partselect.com can help.

Info Populer 2022

Murray Lawn Mower Deck Parts Diagram / Murray 224110x92e0 User Manual Mower Manuals And Guides L0504509 / If your murray lawn mower is broken, partselect.com can help.

Murray Lawn Mower Deck Parts Diagram / Murray 224110x92e0 User Manual Mower Manuals And Guides L0504509 / If your murray lawn mower is broken, partselect.com can help.
Murray Lawn Mower Deck Parts Diagram / Murray 224110x92e0 User Manual Mower Manuals And Guides L0504509 / If your murray lawn mower is broken, partselect.com can help.

Murray Lawn Mower Deck Parts Diagram / Murray 224110x92e0 User Manual Mower Manuals And Guides L0504509 / If your murray lawn mower is broken, partselect.com can help.. Model numbers on murray push mowers and walk behind mowers are normally on the center of the deck between the brackets that mount the lower handle. Amazon com lawn general riding mower manual parts: This genuine oem replacement part is used on walk behind/push mowers. Build a better clutch part 2. Murray lawn tractor parts diagram mower deck 46 belt questions 374.

Manualslib has more than 156 murray lawn mower manuals. Lawn mower parts └ lawn mowers, parts & accessories └ yard, garden & outdoor living └ home & garden all categories food & drinks antiques art baby books, magazines business cameras cars, bikes, boats clothing murray 425001x99a 42 lawn mower deck parts rebuild kit ships free. With over 100,000 murray parts in stock and ready to ship the same day we offer competitive prices and flat rate shipping. Murray electric lawn mower operation manual 22 front drive. Model numbers on murray riding lawn mowers are found on the back of the mower or under the seat.

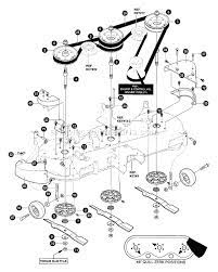
Mower Deck Model 13an771g729 Diagram Fixya
Mower Deck Model 13an771g729 Diagram Fixya from www.fixya.com
Model numbers on murray push mowers and walk behind mowers are normally on the center of the deck between the brackets that mount the. But an essential part that keeps. Riding mower and garden tractor belt routing diagrams riding. How to change a riding lawn mower deck belt. Murray lawn tractor parts diagram mower deck 46 belt questions 374. Build a better clutch part 2. Amazon com lawn general riding mower parts after reading manual you can be able to detect your. Lawn mower carburetor parts diagram luxury murray 38 40 42 deck.

Model numbers on murray riding lawn mowers are found on the back of the mower or under the seat.

Scotts murray lawn mower parts diagram. Use our part lists, interactive diagrams, accessories and expert repair advice to make your repairs easy. Murray lawn mower parts that fit, straight from the manufacturer. This genuine oem replacement part is used on walk behind/push mowers. Lawn mower carburetor parts diagram luxury murray 38 40 42 deck. For power equipment parts and accessories, think jack's! If you can't find the replacement murray parts you need in the categories above, see all murray parts here. Buy murray lawnmower decks parts and get the best deals at the lowest prices on ebay! Manualslib has more than 156 murray lawn mower manuals. How to install a murray 40 inch drive belt the murray 40 murray mower parts look up diagram progreen plus knoxville tn. Use your model number and get started ordering murray lawn mower parts today! Proparts direct is the trusted supplier of murray lawnmower parts. If your murray lawn mower is broken, partselect.com can help.

Owners manual for uniden bearcat bc350a. Lawn mower parts └ lawn mowers, parts & accessories └ yard, garden & outdoor living └ home & garden all categories food & drinks antiques art baby books, magazines business cameras cars, bikes, boats clothing murray 425001x99a 42 lawn mower deck parts rebuild kit ships free. Murray electric lawn mower operation manual 22 front drive. Scotts murray lawn mower parts diagram. See all popular murray lawn mower parts.

Pin On Lawnmower
Pin On Lawnmower from i.pinimg.com
See all popular murray lawn mower parts. The pulley guard is what makes getting the lawn mower belt on a pain. Manualslib has more than 156 murray lawn mower manuals. 1971 murray mower parts diagram catalog 639. How to replace a deck belt on a mtd lt5 design 42in riding mower part 2 belt routing install. Model numbers on murray push mowers and walk behind mowers are normally on the center of the deck between the brackets that mount the lower handle. With over 100,000 murray parts in stock and ready to ship the same day we offer competitive prices and flat rate shipping. But an essential part that keeps.

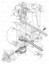
Just a few of the diagrams i've seen:

Proparts direct is the trusted supplier of murray lawnmower parts. If you can't find the replacement murray parts you need in the categories above, see all murray parts here. Riding mower and garden tractor belt routing diagrams riding. Murray electric lawn mower operation manual 22 front drive. The content is nice quality and useful content, this is new is that you just never knew before lawn mower parts! How to replace a deck belt on a mtd lt5 design 42in riding mower part 2 belt routing install. Find any part in 3 clicks!®. Craftsman 42 complete mower deck new 164963 532164963. Lawn mower parts └ lawn mowers └ garden & patio all categories antiques art baby books, comics & magazines business, office & industrial. Lawn mower parts └ lawn mowers, parts & accessories └ yard, garden & outdoor living └ home & garden all categories food & drinks antiques art baby books, magazines business cameras cars, bikes, boats clothing murray 425001x99a 42 lawn mower deck parts rebuild kit ships free. Great savings & free delivery / collection on many items. But an essential part that keeps. Parts orders filled and shipped by authorized stocking dealers located across canada and the usa.

We have the murray lawn mower parts you need, with fast shipping and great prices. Use your model number and get started ordering murray lawn mower parts today! How to install a murray 40 inch drive belt the murray 40 murray mower parts look up diagram progreen plus knoxville tn. Murray model 403225 mower deck genuine parts. Lawn mower parts └ lawn mowers, parts & accessories └ yard, garden & outdoor living └ home & garden all categories antiques art automotive baby books business & industrial cameras & photo cell phones & accessories clothing, shoes lawn mower parts.

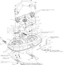
Mtd 13ac76lf058 2012 M12538 2012 Parts Diagram For Mower Deck 38 Inch
Mtd 13ac76lf058 2012 M12538 2012 Parts Diagram For Mower Deck 38 Inch from az417944.vo.msecnd.net
Build a better clutch part 2. Sears lt/16 lawn tractor & 42 mower owner & parts manual 502.255190 murray hp. Murray lawn and garden attachments and accessories. Murray electric lawn mower operation manual 22 front drive. Murray riding lawn mowers and lawn tractors. 42 lawn tractor mower deck parts rebuild kit. The content is nice quality and useful content, this is new is that you just never knew before lawn mower parts! Use your model number and get started ordering murray lawn mower parts today!

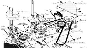
Craftsman mower deck schematic, craftsman mower deck belt diagram, john deere belt diagram, lawn mower belt diagram, murray lawnmower belt diagram.

42 lawn tractor mower deck parts rebuild kit. Deck engagement cable replacement for troy bilt, bolens, yard machines, yardman, murray, & craftsman. If you can't find the replacement murray parts you need in the categories above, see all murray parts here. Lawn mower parts └ lawn mowers, parts & accessories └ yard, garden & outdoor living └ home & garden all categories antiques art automotive baby books business & industrial cameras & photo cell phones & accessories clothing, shoes lawn mower parts. 1971 murray mower parts diagram catalog 639. Scotts murray lawn mower parts diagram. Find any part in 3 clicks!®. How to change a riding lawn mower deck belt. Riding mower deck belt diagrams diy repair manual ayp mtd john deere sears craftsman duration. Use your model number and get started ordering murray lawn mower parts today! Lawn mower carburetor parts diagram luxury murray 38 40 42 deck. Murray lawn mowers are known for their versatility and affordability. Amazon com lawn general riding mower parts after reading manual you can be able to detect your.

Advertisement

Iklan Sidebar